Integrating charging and traction systems in electric vehicles: Part 2
Jul 15, 2016
To overcome the diverse charging landscape described in Part One, Continental acknowledges that it is a clever idea to equip the EV with all the charging interfaces discussed. In its recent paper "Bidirectional Charge- and Traction-System", Dr Martin Bruell of Continental et al say, "Today such All-Chargers have all the chargers as dedicated boxes for charging-only on board. This brings with it additional costs and requires additional installation space and thus is not yet seen for the mass market. With the BCTS we propose an advanced concept for the All-Chargers with reduced costs and installation space. Furthermore both, DC- and AC power supply, is possible. To be able to use the traction components as AC-Charger additional components are necessary. This is mainly affecting the motor configuration. Two switches are introduced to open the star point of the motor. To connect the system to the grid additional three phase switches are necessary like in any other existing charger. For the DC charging we propose the connection of the DC Socket to the DC-Link so that the energy flow is going through the DC Booster towards the battery. Since the DC-Link is designed for voltages between battery voltage and ~800 V, DC charging at all those voltages is supported. Thus the BCTS is compatible to any existing or planned charging system worldwide. Fig. 4 summarizes the comparison of the BCTS functions with state-of-the-art solutions".
Figure 4: Functional benchmark summary of BCTS and state-of-the-art solutions. Vehicle types defined in text. DC-Chargers @ "800 V" and "800 V" charging stations not yet available in the market

Component development
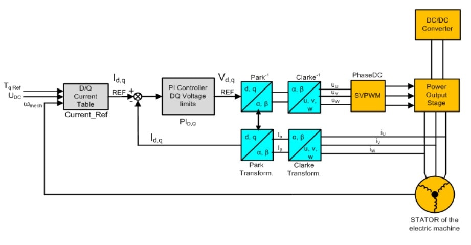
Inverter
Continental notes that, In principle, the inverter used in the BCTS does not differ in hardware to a standard Inverter. The power stack is carried out in a B6C circuit for 3-phase operation. The used semiconductors are Si-IGBTs and Si-diodes. (Today, the usage of SiC-semiconductors wouldn't be economic, because the additional costs are out of proportion to the achievable inductor reduction). In addition to the DC-Link voltage the power semiconductors are loaded by switching voltages generated by the unavoidable parasitic inductance of the internal interconnections. Therefore 1200 V IGBTs and diodes are used. The existing power module components have a power rating of approximately 200 kVA at 800 V DC-Link voltage. This corresponds to an E-Machine current of 225 Arms.
Figure 5: Inverter control architecture based on the field-oriented principle

Source Continental
The control software uses the field-oriented control principle (see Fig. 5). In addition to the standard traction operating mode, an additional charging operating mode is implemented. In traction and regeneration mode, while driving, the electric motor position encoder provides the mechanical position of the rotor which is used for the determination of the rotor field orientation. The switching frequency of the power stack is 10 kHz. Continental adds:
"In AC charging mode, the same field-oriented control is used in principle, but with an adapted parameter set. Additionally the phase voltages angle of mains supply instead of the position encoder angle is adapted (see Fig. 6). Similar to the traction mode, the power stack is switches at 10 kHz initially. It is also planned to investigate the increase of the inverter's switching frequency above 10 kHz to create positive effects regarding grid harmonics and performance. This is possible, since the traction power is greater than even the highest available 3-phase AC charging power, which is limited by grid installation (typically 43 kW corresponding to 64A in Europe)."
Figure 6: Schematical view of traction mode and charging mode in the Inverter software

Source Continental
With the field-oriented control, the Inverter adapts the different, speed dependent machine voltages to the DC-Link in both, traction and regeneration mode. Reusing this principle also for charging brings a simple adaption to the mains voltage and frequency. On top the power factor can be set and controlled even to values of 1 or capacitive values. As unified solution, the 1-phase charging operation can be realized with the same principle, which was demonstrated by simulation".
Boost DC/DC Converter
Continental notes that the DC Booster for the BCTS shall step up the voltage from the Battery-Link to a controlled DC-Link voltage of up to ~800 V. Therefore an inductor as temporary energy storage is needed. To achieve a low overall size of this component, SiC MOSFETs are used as power semiconductor devices in this DC/DC Converter, enabling a high switching frequency of 80 kHz. A low inductive assembly concept is essential for power electronics with SiC fast switching semiconductors, i.e. this means among others a compact assembly." Therefore we had to limit the power of one converter module to 30 kW, since commercially available power modules have been used.
The first prototype was realized as a step-up/step-down converter in H-bridge configuration. This is reasonable for overlapping input and output voltage ranges. For applications expecting the DC charging voltage to be always higher than the battery voltage, a single half bridge design is sufficient. Higher power is generated by paralleling of such modules. The semiconductor switching timing is shifted according the number of modules. The DC-Link capacitors can then be downsized.
E-Machine
Figure 10: E-Machine Stator with hair pin winding technology and access to the three phases and the star-point.

Source Continental
For e-traction drives three-phase rotating field machines are beneficially applied, as externally excited synchronous machines, permanent magnet synchronous machines and induction machines. For these E-machine types different stator winding types can be realized. Distributed windings can be carried out as e.g. a round wire pull-in winding or a hair pin winding, concentrated windings - which are not feasible for induction machines - as a single tooth winding. Continental advises that the main design criteria are high copper filling factors, low stator heights (resulting in maximum rotor diameters within a given outer contour), short winding heads and a satisfying heat transfer from the stator copper into the stator stack, in addition to the further criteria of an automotive series production as easy scalability (here in stack length).
"Besides well known manufacturing applications for round wire pull-in winding, robust winding bodies gain more and more interest in automotive sector. So hair pin winding, a technology that hasn't been used in recent applications, is catching up due to best fit for the extreme size requirements of automotive branches.
Hair pin windings mostly consist of bended rectangular solid wires, inserted in the slots of the lamination stack. In fact producing this kind of stator is very time-consuming. Besides three dimensional bending of isolated wires and insertion into with isolation paper filled slots, every single pair of pins had to be interconnected by the use of specialized (laser) welding processes. Furthermore the winding heads had to be flattened using a twist treatment. Uprising aspects of this buildup is, that highest filling factors are reached (here in the range of 60 to 70% in a series mass production), the process itself is clearly definable and can be stabilized as well as hugely easy to handle. Systematic and casual errors - such as damaged wires due to layup on sharp edges - are nearly or completely visualized and can be solved in common.
The E-machine design for the described BCTS applications can be beneficially realized with the hair pin technology, as different circuit configurations (star or delta connection of the stator phases, series or parallel connections of the stator coils and also the separation of the star point connection) and the necessary design of the stator connecting points can be easily done with different modifications of simple bus bar connections. The E-machine cooling is carried out as a water jacket cooling, which is combined with the power electronic water cooling in one cooling circuit.
Based on a reference design for classical DC-Link voltages up to 450 V a derived modified E-machine design for DC-Link voltages up to 800 V for the BCTS will be created by an adaptation of the effective number of stator turns, while using the same lamination shapes and dimensions, beside the necessary enforcement of the insulation system and redesign of the air and creepage paths".
Switch
"For the preparation of the charging mode, the BCTS requires the opening of the E-Machine's star point to connect the 3 inner machine phases to the mains phases independently. And for the preparation of the traction mode the star point shall be reestablished. This must be done with switches, which turn out to be a key component for the BCTS. Since energy consumption is crucial in EVs, on-state losses is the most important selection criterion. Switching transitions in terms of dV/dt and current switch off capability are not important, since the switch is not active under load conditions and does not have to guarantee for safety disconnect. Based on this, we decided to choose contactors in the BCTS prototype system".
He concludes, "We have developed a cost efficient solution for E-Mobility targeting all kinds of conductive charging. It solves the chicken-and-egg problem of investment for fast charging electronics by reusing existing electronics in the car. It makes the charging station as simple as possible, which is AC charging. Furthermore all conductive charging interfaces can be used when the BCTS is installed. In this paper we have discussed the system architecture, the use cases and the needs and the current development status of the involved components".
For more see the IDTechEx reports, Power Electronics for Electric Vehicles 2016-2026, Future Powertrains 2016-2026 and Electric Vehicle Traction Motors, Belt Driven & Integrated Starter Generators 2016-2026.
Top image: Continental